智能互感器测试仪CT测试时的接线方式
智能互感器测试仪在三角形接法变压器上进行CT测试的接线方式如图18所示。
图18 智能互感器测试仪在三角形接法变压器上进行测试时的接线方式
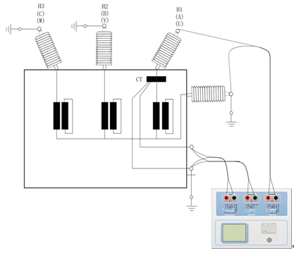
2)智能互感器测试仪进行变压器套管CT测试时的接线方式如图19所示。
注意:一次端子H1不能接地,否则一次侧都接地了,则智能互感器测试仪不能获取正确结果。
图19 智能互感器测试仪对变压器上套管CT进行测试时的接线方式
2)智能互感器测试仪进行变压器套管CT测试时的接线方式如图19所示。
注意:一次端子H1不能接地,否则一次侧都接地了,则智能互感器测试仪不能获取正确结果。





