继电保护测试仪时间继电器的测量
继电保护测试仪时间继电器的测量
3、时间继电器的测量与上述方法相同。
4、继电保护测试仪重合闸(以DH-3型重合闸为例)
A、DH-3型操作如下:
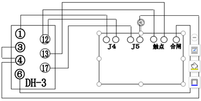
继电保护测试仪按上图接线,(3)(4)接J5黑柱(负端),(17)接J5红柱(正端)
注意:若用ZJ3触点停止毫秒表时,应注意将ZJ3接到(12)脚的接线断开,将ZJ3触点分离开来(见《保护继电器检验》P352页),把T1旋到IDC0~20A档,拨上开关S2,调整T4至继电器电流额定值,拨下开关S2,将T2旋钮旋至该继电器电压额定值。选择T3至Ⅰ(即该继电器ZJ3的触点状态)。继电保护测试仪然后将S2、S3开关同时拨上去,充电子表15~25秒后,毫秒表上可读出充电时间,按一下毫秒表复位健再按下“合闸”健测量重合闸时间,到重合闸继电器动作时,X2显示重合闸时间。
B、继电保护测试仪其它重合闸继电器可根据上述校验方法,此处不一一复述。
3、时间继电器的测量与上述方法相同。
4、继电保护测试仪重合闸(以DH-3型重合闸为例)
A、DH-3型操作如下:
注意:若用ZJ3触点停止毫秒表时,应注意将ZJ3接到(12)脚的接线断开,将ZJ3触点分离开来(见《保护继电器检验》P352页),把T1旋到IDC0~20A档,拨上开关S2,调整T4至继电器电流额定值,拨下开关S2,将T2旋钮旋至该继电器电压额定值。选择T3至Ⅰ(即该继电器ZJ3的触点状态)。继电保护测试仪然后将S2、S3开关同时拨上去,充电子表15~25秒后,毫秒表上可读出充电时间,按一下毫秒表复位健再按下“合闸”健测量重合闸时间,到重合闸继电器动作时,X2显示重合闸时间。
B、继电保护测试仪其它重合闸继电器可根据上述校验方法,此处不一一复述。
- 上一篇: 继电保护测试仪的中间继电器
- 下一篇: 继电保护测试仪面板布置及功能说明





