微机继电保护测试仪阻抗继电器校验
之前讲解了继电保护测试仪功率继电器的校验,下面合众电气技术工程师讲解另外的一种继电器校验,微机继电保护测试仪阻抗继电器校验。
(1)阻抗继电器灵敏角和整定阻抗的测量
在微机继电保护测试仪功率、阻抗试验中,设定Ia为5A(或1A),Uab为0.7倍整定阻抗对应的电压,加减电压相位角(可用自动试验方式),测出动作区两边的边界角φ1、φ2,则灵敏角φLM=?(φ1+φ2)。
将相角设为φLM,从高至低改变电压至继电器动作,得出动作电压UDZ,根据ZSET=UDZ/I,计算整定阻抗ZSET。
(2)精工电流曲线的测量
微机继电保护测试仪固定电压与电流之间的角度为φLM,逐次改变电流Iab,在每一电流时加减电压Uab(可用自动方式),测出动作值,作出精工电流曲线 Z=f(I) 。
(3)“鸟啄”现象
(1)阻抗继电器灵敏角和整定阻抗的测量
在微机继电保护测试仪功率、阻抗试验中,设定Ia为5A(或1A),Uab为0.7倍整定阻抗对应的电压,加减电压相位角(可用自动试验方式),测出动作区两边的边界角φ1、φ2,则灵敏角φLM=?(φ1+φ2)。
将相角设为φLM,从高至低改变电压至继电器动作,得出动作电压UDZ,根据ZSET=UDZ/I,计算整定阻抗ZSET。
(2)精工电流曲线的测量
微机继电保护测试仪固定电压与电流之间的角度为φLM,逐次改变电流Iab,在每一电流时加减电压Uab(可用自动方式),测出动作值,作出精工电流曲线 Z=f(I) 。
(3)“鸟啄”现象
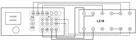
微机继电保护测试仪电流回路开路,设置Uab初值和步长均为额定电压,电压由额定突降至零,继电器触点不应有闭合现象。接线如下图所示:
- 上一篇: 智能互感器测试仪装置面板说明
- 下一篇: 微机继电保护测试仪的功率继电器校验





